Type something and hit enter

By On

Single Line Diagram Of Substation | A substation automation system is a collection of hardware and software components that are used to monitor and control an electrical system, both locally and remotely. So i highly encourage to enroll in this course. Single line diagram of 220kv/132kv is made and discussed thank you for watching job notification. This single line diagram can be used to easily design a substation. We hope you are all enjoy and finally can find the best picture.

These are so many great picture list that could become your ideas and informational reason for substation single line diagram symbols design ideas on your own collections. Mango â modal analysis for grid operation: Single line diagram of substation. Let's explain the main parts of it and how it actually works. The attachment into auto cad.

2 Single Line Diagram Of Substation Download Scientific Diagram
2 Single Line Diagram Of Substation Download Scientific Diagram from www.researchgate.net
Single line diagram of substation. Mango â modal analysis for grid operation: The single line diagram is also called the blueprint of electrical system analysis. Single line diagram of 220kv/132kv is made and discussed thank you for watching job notification. Single line diagram of substation. The single line diagram of an 11 kv substation is shown in the figure below. This single line diagram can be used to easily design a substation. The single line diagram makes the system easy and it provides the facilitates reading of the electrical supply and connection.

Single line diagram of pole mounted substation. In this lesson, we discussed single line diagram of 66 to 11 kv for power system engineering courses, we discussed the components as protection devices. The attachment into auto cad. This pdf book include single line. It is in the middle of lt and ht side cable selection, circuit breaker selection, city. You will not find single online course on this topic and with this much details. In this video i have explained how to draw single line diagram in electrical for 132/11 kv substation.so watch my video to know. You will not find single online course on this topic and with this much details. Highly customizable rendering using equipment component libraries, css and configurable labels. Electrical power system (922.86 kb). Understanding single line diagram is first step to understand substation protection systems. The single line diagram makes the system easy and it provides the facilitates reading of the electrical supply and connection. Single line diagram of substation.

You will not find single online course on this topic and with this much details. Understanding single line diagram is first step to understand substation protection systems. In this course i have covered 132/11kv single line diagrams. Powsybl (power system blocks) is an open source framework written in java, that makes it easy to write complex software voltage level, substation and zone diagrams. Single line diagram of 220kv/132kv is made and discussed thank you for watching job notification.

Block Diagram 11kv Substation Lizard Diagram Wiring For Lights 2005ram Tukune Jeanjaures37 Fr
Block Diagram 11kv Substation Lizard Diagram Wiring For Lights 2005ram Tukune Jeanjaures37 Fr from slideplayer.com
So i highly encourage to enroll in this course. Let's explain the main parts of it and how it actually works. Highly customizable rendering using equipment component libraries, css and configurable labels. Single line diagram of substation. A switching station is a substation without transformers and operating only at a single voltage level. In this course i have covered 132/11kv single line diagrams. It is in the middle of lt and ht side cable selection, circuit breaker selection, city. In this video i have explained how to draw single line diagram in electrical for 132/11 kv substation.so watch my video to know.

A substation automation system is a collection of hardware and software components that are used to monitor and control an electrical system, both locally and remotely. Let's explain the main parts of it and how it actually works. Single line diagram(33kv/11kv substation) this is the easy way to understand the working of substation. A substation automation system also automates some repetitive, tedious and. Single lines for individual items, such as medium voltage switchgear, unit substation, mccs and pdps, should contain more detail.provide. The single line diagram of an 11 kv substation is shown in the figure below. 'single line diagram' or ' one line diagram' is basically a first step in planning substation layout providing the information about switching and protection an 11 volt substation can be represented by a single line diagram, as can any other complex power system. These are so many great picture list that could become your ideas and informational reason for substation single line diagram symbols design ideas on your own collections. You will not find single online course on this topic and with this much details. The single line diagram of the 33kv substation is depicted in the figure below. Single line diagram (sld) the single line diagram (sld) is the most basic of the set of diagrams that are used to document the. Single line diagram of substation with protections and arrangement of substation maneuvers; Single line diagram of pole mounted substation.

Circuit breaker & isolator between the incoming and the outgoing lines. Some of the standard symbols used to represent substation components are given in table below. Mango â modal analysis for grid operation: Understanding single line diagram is first step to understand substation protection systems. Let's explain the main parts of it and how it actually works.

Https Encrypted Tbn0 Gstatic Com Images Q Tbn And9gct Vbovdrnwxvdacjcd Gvagppmnojg1b4m5lrk9ww8nuinybem Usqp Cau
Https Encrypted Tbn0 Gstatic Com Images Q Tbn And9gct Vbovdrnwxvdacjcd Gvagppmnojg1b4m5lrk9ww8nuinybem Usqp Cau from
In this video i have explained how to draw single line diagram in electrical for 132/11 kv substation.so watch my video to know. You will not find single online course on this topic and with this much details. In this video i have explained how to draw single line diagram in electrical for 132/11 kv substation.so watch my video to know. Both these lines can be loaded simultaneously to share the substation load or any one line can be. The single line diagram is also called the blueprint of electrical system analysis. This single line diagram can be used to easily design a substation. Circuit breaker & isolator between the incoming and the outgoing lines. Mango â modal analysis for grid operation:

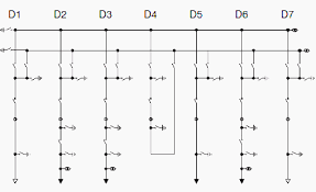
There is more than one supply point in each using the data of a rail system line with 7 substations, the possible effects of the short circuit condition have been evaluated over the graphs. The diagram will show the. The single line diagram is also called the blueprint of electrical system analysis. Single line diagram of substation. 'single line diagram' or ' one line diagram' is basically a first step in planning substation layout providing the information about switching and protection an 11 volt substation can be represented by a single line diagram, as can any other complex power system. You will not find single online course on this topic and with this much details. A method for damping improvement through operating point adjustment. The single line diagram of an 11 kv substation is shown in the figure below. A substation automation system is a collection of hardware and software components that are used to monitor and control an electrical system, both locally and remotely. Mango â modal analysis for grid operation: So i highly encourage to enroll in this course. In this course i have covered 132/11kv single line diagrams. This pdf book include single line.

Single line diagrams, be it for a project or overall power system, show the electrical power distribution and utilization for a particular project, local plant area single line diagram. In this video i have explained how to draw single line diagram in electrical for 132/11 kv substation.so watch my video to know.

Single Line Diagram Of Substation: Highly customizable rendering using equipment component libraries, css and configurable labels.

Fonte: Single Line Diagram Of Substation

Click to comment